Question CDI
Modérateur : modérateurs
Question CDI
Bonjour à tous,
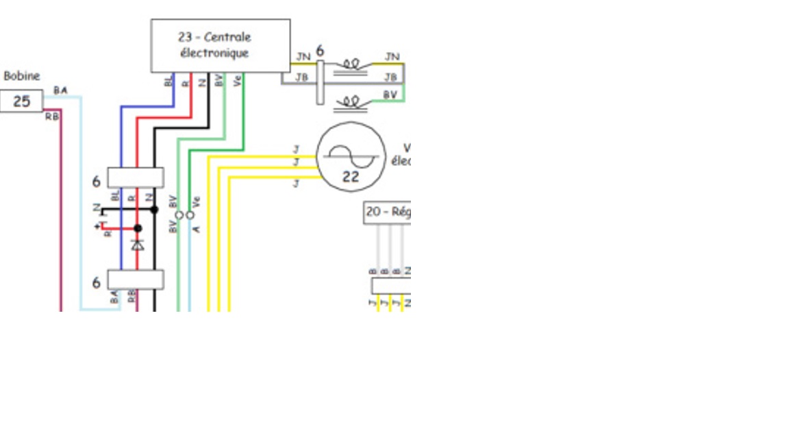
Je regarde le schéma électrique ai j'ai besoin d'éclairage....
Sur l'extrait joint j'ai deux questions :
* Sur le schéma (à droite) je comprends que deux capteurs issus du volant moteur sont présents mais seul l'un est câblé sur le CDI. Vrai ?
* Plus bas on voit un dispositif avec une diode et un condo (chimique car polarisé). Ca existe vraiment car cela je l'ai pas trouvé ?
Je regarde le schéma électrique ai j'ai besoin d'éclairage....
Sur l'extrait joint j'ai deux questions :
* Sur le schéma (à droite) je comprends que deux capteurs issus du volant moteur sont présents mais seul l'un est câblé sur le CDI. Vrai ?
* Plus bas on voit un dispositif avec une diode et un condo (chimique car polarisé). Ca existe vraiment car cela je l'ai pas trouvé ?
Re: Question CDI
C'est à cette question que tu n'avais pas de réponse.
alors je ne vais pas t'éclairer, c'est du chinois pour moi: "chimique car polarisé" 8-?
par contre si tu me donnes les numéros, je pourrais peut être te renseigner, et/où te faire des photos puisqu'on a la même moto
alors je ne vais pas t'éclairer, c'est du chinois pour moi: "chimique car polarisé" 8-?
par contre si tu me donnes les numéros, je pourrais peut être te renseigner, et/où te faire des photos puisqu'on a la même moto
Saturno 500 '90
RC cobra 600 '94
Supermono SP600
RC cobra 600 '94
Supermono SP600
-
- Messages : 3889
- Enregistré le : lun. 29 nov. 2010 10:54
- Localisation : Panissières
Re: Question CDI
C’est quoi comme machine ?
Re: Question CDI
La même que pour ses autres posts !
Saturno 500 '90
RC cobra 600 '94
Supermono SP600
RC cobra 600 '94
Supermono SP600
Re: Question CDI
Bonjour à tous,
J'avais avancé de mon côté entretemps.
Les condos chimiques sont polarisés, c'est marqué plus et moins dessus.
Il y avait deux questions :
* L'une avec ce dispo Diode et Condo qui doivent servir pour la protection du CDI mais que je ne trouve pas dans mon cas. Pas grave.
* L'autre sur les deux fils qui viennent du capteur CDI autour du volant moteur. Il y a des montages avec trois fils aussi sur les RC 600.
Suite à mes problèmes de surchauffe, et comme cette moto a été bricolée, j'ai mis en cause le capteur (et c'était lui...).
En fait selon l'âge de ces motos, il y avait deux montages CDI différents :
* Un avec deux boitiers (limiteur de régime à part de mémoire). ET là, il y a bien 3 fils qui arrivent au CDI
* L'autre un seul boitier (celui que j'ai), je vous ai donné la ref Denso dans un post précédent. ET là deux fils.
J'avais acheté en son temps la platine CDI premier modèle (qui ne me sert pas du coup) mais avec aussi son capteur 3 Fils.
J'ai démonté mon capteur 2 fils pour contrôle, la gaine devient cassante et coupante avec l'âge.
En fait on découvre qu'à la sortie du capteur j'ai bien trois fils, mais seuls deux arrivent au CDI, l'autre est juste coupé dans la gaine au bout de 20 cm (fil vert de mémoire).
DONC : les capteurs un boitier CDI / deux boitiers CDI sont les mêmes.
Depuis j'ai remis le capteur en stock, j'ai câblé en deux fils, mis de la gaine neuve à la place de l'existante. Ben je n'ai plus de surchauffe.
Problème résolu pour moi. J'y ai passé du temps, changé la culasse avant de constater que ca chauffait toujours. Pour finir sur une panne de capteur. Je ne sais pas par contre si le même existe sur d'autres motos
J'avais avancé de mon côté entretemps.
Les condos chimiques sont polarisés, c'est marqué plus et moins dessus.
Il y avait deux questions :
* L'une avec ce dispo Diode et Condo qui doivent servir pour la protection du CDI mais que je ne trouve pas dans mon cas. Pas grave.
* L'autre sur les deux fils qui viennent du capteur CDI autour du volant moteur. Il y a des montages avec trois fils aussi sur les RC 600.
Suite à mes problèmes de surchauffe, et comme cette moto a été bricolée, j'ai mis en cause le capteur (et c'était lui...).
En fait selon l'âge de ces motos, il y avait deux montages CDI différents :
* Un avec deux boitiers (limiteur de régime à part de mémoire). ET là, il y a bien 3 fils qui arrivent au CDI
* L'autre un seul boitier (celui que j'ai), je vous ai donné la ref Denso dans un post précédent. ET là deux fils.
J'avais acheté en son temps la platine CDI premier modèle (qui ne me sert pas du coup) mais avec aussi son capteur 3 Fils.
J'ai démonté mon capteur 2 fils pour contrôle, la gaine devient cassante et coupante avec l'âge.
En fait on découvre qu'à la sortie du capteur j'ai bien trois fils, mais seuls deux arrivent au CDI, l'autre est juste coupé dans la gaine au bout de 20 cm (fil vert de mémoire).
DONC : les capteurs un boitier CDI / deux boitiers CDI sont les mêmes.
Depuis j'ai remis le capteur en stock, j'ai câblé en deux fils, mis de la gaine neuve à la place de l'existante. Ben je n'ai plus de surchauffe.
Problème résolu pour moi. J'y ai passé du temps, changé la culasse avant de constater que ca chauffait toujours. Pour finir sur une panne de capteur. Je ne sais pas par contre si le même existe sur d'autres motos
Re: Question CDI
Je ne comprends pas comment un capteur défaillant peut faire chauffer le moteur ? Le coup des capteurs 2 fils ou 3 fils, je connaissais, mais pas le fait que ce soit les mêmes à la base. Sans défaire la gaine, on constate juste un connecteur 2 fils ou un connecteur 3 fils.
Re: Question CDI
Bonjour,
Oui je me suis posé la question...
Il y a deux capteurs l'un derrière l'autre :
* un bien avant le PMH
* l'autre prés du PMH
Imagine que le second ne réponde pas. Le CDI prend l'information et génère quand même son allumage, cela même si le second ne répond plus.
Cela devrai être interprété comme une panne mais le CDI fait quand même son travail mais sur une information bien loin du PMH.
Et du coup elle démarre mais avec cette avance meuh meuh ben tout se met à chauffer, jusqu'à des tubulures rouges.
L'autre question que je me suis posé c'est pourquoi un capteur peut tomber en panne... C'est un bobinage noyé dans la résine et qui n'est pas soumis à de très fortes sollicitations.
Je me souviens même les avoir testés (il faut un multimètre analogique qui détecte le milli volt pour cela), suffit de faire tourner le moteur au démarreur. Tout était OK
Maintenant j'ai fait deux choses :
* Changé le capteur
* ET refait le câblage (isolant et surtout nouvelles cosses) ! Sur tous les fils qui arrivent au CDI (sauf le capteur) j'avais supprimé la connectique (fils à nu) et mis des cosses rondes japonaises. Je soude les cosses et c'est bien plus étanche.
Ca tombe le capteur est bon (je l'ai gardé) c'était juste du faux contact au niveau connecteur. Je reviendrai pas en arrière pour tester maintenant que ca marche.
Maintenant ce n'est pas ma première expérience....
J'ai acheté en son temps un 350 DR SE (avec démarreur électrique du coup). En panne (oui, vous allez me dire que je cumule).
Pas d'allumage
Diag = CDI HS
Sur ce moteur, il y a deux capteurs d'allumage. Pas sur le modèle de la même année sans démarreur où un seul capteur
CDI introuvable ou très cher, j'ai trouvé un adaptable sur Ebay.
Par contre deux fils pour connecter le capteur alors qu'il y en avait 4 (deux par capteur) sur le modèle d'origine.
Je prends un capteur (deux fils donc) et le connecte sur le CDI. La moto démarre ET l'échappement est tout rouge.
Je connecte les deux autres fils capteur à la place ET là tout va bien.
Le point commun c'est que ces motos ont un démarreur électrique, je ne sais pas pourquoi il faut deux capteurs (faciliter le démarrage ?).
Ca te vas comme analyse Jimmiz ?
Oui je me suis posé la question...
Il y a deux capteurs l'un derrière l'autre :
* un bien avant le PMH
* l'autre prés du PMH
Imagine que le second ne réponde pas. Le CDI prend l'information et génère quand même son allumage, cela même si le second ne répond plus.
Cela devrai être interprété comme une panne mais le CDI fait quand même son travail mais sur une information bien loin du PMH.
Et du coup elle démarre mais avec cette avance meuh meuh ben tout se met à chauffer, jusqu'à des tubulures rouges.
L'autre question que je me suis posé c'est pourquoi un capteur peut tomber en panne... C'est un bobinage noyé dans la résine et qui n'est pas soumis à de très fortes sollicitations.
Je me souviens même les avoir testés (il faut un multimètre analogique qui détecte le milli volt pour cela), suffit de faire tourner le moteur au démarreur. Tout était OK
Maintenant j'ai fait deux choses :
* Changé le capteur
* ET refait le câblage (isolant et surtout nouvelles cosses) ! Sur tous les fils qui arrivent au CDI (sauf le capteur) j'avais supprimé la connectique (fils à nu) et mis des cosses rondes japonaises. Je soude les cosses et c'est bien plus étanche.
Ca tombe le capteur est bon (je l'ai gardé) c'était juste du faux contact au niveau connecteur. Je reviendrai pas en arrière pour tester maintenant que ca marche.
Maintenant ce n'est pas ma première expérience....
J'ai acheté en son temps un 350 DR SE (avec démarreur électrique du coup). En panne (oui, vous allez me dire que je cumule).
Pas d'allumage

Diag = CDI HS
Sur ce moteur, il y a deux capteurs d'allumage. Pas sur le modèle de la même année sans démarreur où un seul capteur
CDI introuvable ou très cher, j'ai trouvé un adaptable sur Ebay.
Par contre deux fils pour connecter le capteur alors qu'il y en avait 4 (deux par capteur) sur le modèle d'origine.
Je prends un capteur (deux fils donc) et le connecte sur le CDI. La moto démarre ET l'échappement est tout rouge.
Je connecte les deux autres fils capteur à la place ET là tout va bien.
Le point commun c'est que ces motos ont un démarreur électrique, je ne sais pas pourquoi il faut deux capteurs (faciliter le démarrage ?).
Ca te vas comme analyse Jimmiz ?
-
- Messages : 3889
- Enregistré le : lun. 29 nov. 2010 10:54
- Localisation : Panissières
Re: Question CDI
Intéressant !
peut être que sur la machine à démarreur (la DR), le CDI prend en compte un léger retard à l’allumage pour faciliter le démarrage ?!
peut être que sur la machine à démarreur (la DR), le CDI prend en compte un léger retard à l’allumage pour faciliter le démarrage ?!

Re: Question CDI
Ouai,
Je constate que jimmyZ fonctionne plus en mode inquisition que mea culpa.
La prochaine fois je ferais plus court, ou garderai cela pour moi. L'esprit d'un forum d'échange quoi ....
Je constate que jimmyZ fonctionne plus en mode inquisition que mea culpa.
La prochaine fois je ferais plus court, ou garderai cela pour moi. L'esprit d'un forum d'échange quoi ....
Re: Question CDI
Hola, je n'étais pas en mode inquisition, je ne comprenais pas, c'est tout. Mais je ne comprends toujours pas pourquoi le CDI prendrait une information venant du mauvais capteur. Je suis curieux, j'ai fait de l'électricité et de l'électronique, l'explication me laisse rêveur. Je ne souhaite pas polémiquer, ce forum a toujours été ouvert à la discussion sans embrouille. Je ne viens pas d'y arriver, j'ai 5 600 bi-4, je les ai dépanné moult fois. Je ne fais pas la leçon aux autres quand je dépanne ma brêle.
Re: Question CDI
Bonjour JimmyZ,
J'ai été volontairement provocateur.
Il y a des anciens, experts et moi qui ai juste acheté cette moto (en panne) sans bien comprendre que la marque n'existait plus. J'assume.
J'ajoute quand même que je fais de l'électricité et dispose d'un labo d'électronique, une de mes autres passions (j'en ai trop) c'est le son.
La compréhension de la panne est devenue pour ma part limpide depuis :
* Par tour de vilo, le CDI reçoit deux impulsions.
* Une bien avant le PMH
* Une au niveau du PMH (un peu avant quand même)
Je l'ai dis et le répète, je ne sais pas pourquoi le CDI a besoin de deux impulsions sur un tour.
Mais si la seule impulsion captée est la première (bien avant le PMH) et que cela suffit au CDI pour faire une étincelle, alors l'avance à l'allumage est très importante (meuh meuh dans mon précédent post).
Cela devrai être une panne mais le CDI fait son job. Par contre avance = CHAUFFE. Je l'ai achetée comme ca mais le passage de roue arrière près du pot était explosé (cramé), cela montre que ca a duré un moment. Au final la vraie panne d'origine était le contacteur à clef (fais un tuto dessus). Avant cette panne elle roulait mais elle chauffait donc.
Comme dit aussi sur ma 350 DR à démarreur, j'ai eu pareil: deux capteurs l'un derrière l'autre. Le CDI compatible n'en gérai qu'un, premier test et échappement tout rouge, second test avec l'autre capteur et tout est rentré dans l'ordre.
Oui, l'avance à l'allumage ca fait chauffer, jamais compris pourquoi il faut deux impulsions successives. Dans mon cas la DR avec un CDI 2 fils branchés (un capteur) fonctionne à merveille et démarre super bien comme cela au démarreur comme au kick.
Amitiés
J'ai été volontairement provocateur.
Il y a des anciens, experts et moi qui ai juste acheté cette moto (en panne) sans bien comprendre que la marque n'existait plus. J'assume.
J'ajoute quand même que je fais de l'électricité et dispose d'un labo d'électronique, une de mes autres passions (j'en ai trop) c'est le son.
La compréhension de la panne est devenue pour ma part limpide depuis :
* Par tour de vilo, le CDI reçoit deux impulsions.
* Une bien avant le PMH
* Une au niveau du PMH (un peu avant quand même)
Je l'ai dis et le répète, je ne sais pas pourquoi le CDI a besoin de deux impulsions sur un tour.
Mais si la seule impulsion captée est la première (bien avant le PMH) et que cela suffit au CDI pour faire une étincelle, alors l'avance à l'allumage est très importante (meuh meuh dans mon précédent post).
Cela devrai être une panne mais le CDI fait son job. Par contre avance = CHAUFFE. Je l'ai achetée comme ca mais le passage de roue arrière près du pot était explosé (cramé), cela montre que ca a duré un moment. Au final la vraie panne d'origine était le contacteur à clef (fais un tuto dessus). Avant cette panne elle roulait mais elle chauffait donc.
Comme dit aussi sur ma 350 DR à démarreur, j'ai eu pareil: deux capteurs l'un derrière l'autre. Le CDI compatible n'en gérai qu'un, premier test et échappement tout rouge, second test avec l'autre capteur et tout est rentré dans l'ordre.
Oui, l'avance à l'allumage ca fait chauffer, jamais compris pourquoi il faut deux impulsions successives. Dans mon cas la DR avec un CDI 2 fils branchés (un capteur) fonctionne à merveille et démarre super bien comme cela au démarreur comme au kick.
Amitiés
Re: Question CDI
Salut !
Oui, tu as bien vu : sur le schéma, un seul des deux capteurs est relié au CDI. L’autre est peut-être prévu pour un autre usage ou simplement non utilisé.Pour le montage diode + condo, ça peut exister, mais pas toujours visible ou accessible facilement. C’est parfois intégré directement dans un boîtier ou remplacé selon les versions.
Oui, tu as bien vu : sur le schéma, un seul des deux capteurs est relié au CDI. L’autre est peut-être prévu pour un autre usage ou simplement non utilisé.Pour le montage diode + condo, ça peut exister, mais pas toujours visible ou accessible facilement. C’est parfois intégré directement dans un boîtier ou remplacé selon les versions.